class="hljs-ln-numbers"> class="hljs-ln-line hljs-ln-n" data-line-number="2"> class="hljs-ln-code"> class="hljs-ln-line"> class="hljs-ln-numbers"> class="hljs-ln-line hljs-ln-n" data-line-number="3"> class="hljs-ln-code"> class="hljs-ln-line"> class="hljs-ln-numbers"> class="hljs-ln-line hljs-ln-n" data-line-number="4"> class="hljs-ln-code"> class="hljs-ln-line"> class="hljs-ln-numbers"> class="hljs-ln-line hljs-ln-n" data-line-number="5"> class="hljs-ln-code"> class="hljs-ln-line">void Timer_Init(void) class="hljs-ln-numbers"> class="hljs-ln-line hljs-ln-n" data-line-number="6"> class="hljs-ln-code"> class="hljs-ln-line">{ class="hljs-ln-numbers"> class="hljs-ln-line hljs-ln-n" data-line-number="7"> class="hljs-ln-code"> class="hljs-ln-line"> class="hljs-ln-numbers"> class="hljs-ln-line hljs-ln-n" data-line-number="8"> class="hljs-ln-code"> class="hljs-ln-line"> RCC_APB1PeriphClockCmd(RCC_APB1Periph_TIM2, ENABLE); class="hljs-ln-numbers"> class="hljs-ln-line hljs-ln-n" data-line-number="9"> class="hljs-ln-code"> class="hljs-ln-line"> class="hljs-ln-numbers"> class="hljs-ln-line hljs-ln-n" data-line-number="10"> class="hljs-ln-code"> class="hljs-ln-line"> class="hljs-ln-numbers"> class="hljs-ln-line hljs-ln-n" data-line-number="11"> class="hljs-ln-code"> class="hljs-ln-line"> TIM_InternalClockConfig(TIM2); class="hljs-ln-numbers"> class="hljs-ln-line hljs-ln-n" data-line-number="12"> class="hljs-ln-code"> class="hljs-ln-line"> class="hljs-ln-numbers"> class="hljs-ln-line hljs-ln-n" data-line-number="13"> class="hljs-ln-code"> class="hljs-ln-line"> class="hljs-ln-numbers"> class="hljs-ln-line hljs-ln-n" data-line-number="14"> class="hljs-ln-code"> class="hljs-ln-line"> TIM_TimeBaseInitTypeDef TIM_TimeBaseInitStructure; class="hljs-ln-numbers"> class="hljs-ln-line hljs-ln-n" data-line-number="15"> class="hljs-ln-code"> class="hljs-ln-line"> TIM_TimeBaseInitStructure.TIM_ClockDivision = TIM_CKD_DIV1; class="hljs-ln-numbers"> class="hljs-ln-line hljs-ln-n" data-line-number="16"> class="hljs-ln-code"> class="hljs-ln-line"> TIM_TimeBaseInitStructure.TIM_CounterMode = TIM_CounterMode_Up; class="hljs-ln-numbers"> class="hljs-ln-line hljs-ln-n" data-line-number="17"> class="hljs-ln-code"> class="hljs-ln-line"> class="hljs-ln-numbers"> class="hljs-ln-line hljs-ln-n" data-line-number="18"> class="hljs-ln-code"> class="hljs-ln-line"> class="hljs-ln-numbers"> class="hljs-ln-line hljs-ln-n" data-line-number="19"> class="hljs-ln-code"> class="hljs-ln-line"> class="hljs-ln-numbers"> class="hljs-ln-line hljs-ln-n" data-line-number="20"> class="hljs-ln-code"> class="hljs-ln-line"> TIM_TimeBaseInitStructure.TIM_Period = 10000 - 1; class="hljs-ln-numbers"> class="hljs-ln-line hljs-ln-n" data-line-number="21"> class="hljs-ln-code"> class="hljs-ln-line"> TIM_TimeBaseInitStructure.TIM_Prescaler = 7200 - 1; class="hljs-ln-numbers"> class="hljs-ln-line hljs-ln-n" data-line-number="22"> class="hljs-ln-code"> class="hljs-ln-line"> TIM_TimeBaseInitStructure.TIM_RepetitionCounter = 0; class="hljs-ln-numbers"> class="hljs-ln-line hljs-ln-n" data-line-number="23"> class="hljs-ln-code"> class="hljs-ln-line"> TIM_TimeBaseInit(TIM2, &TIM_TimeBaseInitStructure); class="hljs-ln-numbers"> class="hljs-ln-line hljs-ln-n" data-line-number="24"> class="hljs-ln-code"> class="hljs-ln-line"> class="hljs-ln-numbers"> class="hljs-ln-line hljs-ln-n" data-line-number="25"> class="hljs-ln-code"> class="hljs-ln-line"> TIM_ClearFlag(TIM2, TIM_FLAG_Update); class="hljs-ln-numbers"> class="hljs-ln-line hljs-ln-n" data-line-number="26"> class="hljs-ln-code"> class="hljs-ln-line"> class="hljs-ln-numbers"> class="hljs-ln-line hljs-ln-n" data-line-number="27"> class="hljs-ln-code"> class="hljs-ln-line"> class="hljs-ln-numbers"> class="hljs-ln-line hljs-ln-n" data-line-number="28"> class="hljs-ln-code"> class="hljs-ln-line"> TIM_ITConfig(TIM2, TIM_IT_Update, ENABLE); class="hljs-ln-numbers"> class="hljs-ln-line hljs-ln-n" data-line-number="29"> class="hljs-ln-code"> class="hljs-ln-line"> class="hljs-ln-numbers"> class="hljs-ln-line hljs-ln-n" data-line-number="30"> class="hljs-ln-code"> class="hljs-ln-line"> class="hljs-ln-numbers"> class="hljs-ln-line hljs-ln-n" data-line-number="31"> class="hljs-ln-code"> class="hljs-ln-line"> NVIC_PriorityGroupConfig(NVIC_PriorityGroup_2); class="hljs-ln-numbers"> class="hljs-ln-line hljs-ln-n" data-line-number="32"> class="hljs-ln-code"> class="hljs-ln-line"> NVIC_InitTypeDef NVIC_InitStructure; class="hljs-ln-numbers"> class="hljs-ln-line hljs-ln-n" data-line-number="33"> class="hljs-ln-code"> class="hljs-ln-line"> NVIC_InitStructure.NVIC_IRQChannel = TIM2_IRQn; class="hljs-ln-numbers"> class="hljs-ln-line hljs-ln-n" data-line-number="34"> class="hljs-ln-code"> class="hljs-ln-line"> NVIC_InitStructure.NVIC_IRQChannelCmd = ENABLE; class="hljs-ln-numbers"> class="hljs-ln-line hljs-ln-n" data-line-number="35"> class="hljs-ln-code"> class="hljs-ln-line"> NVIC_InitStructure.NVIC_IRQChannelPreemptionPriority = 2; class="hljs-ln-numbers"> class="hljs-ln-line hljs-ln-n" data-line-number="36"> class="hljs-ln-code"> class="hljs-ln-line"> NVIC_InitStructure.NVIC_IRQChannelSubPriority = 1; class="hljs-ln-numbers"> class="hljs-ln-line hljs-ln-n" data-line-number="37"> class="hljs-ln-code"> class="hljs-ln-line"> NVIC_Init(&NVIC_InitStructure); class="hljs-ln-numbers"> class="hljs-ln-line hljs-ln-n" data-line-number="38"> class="hljs-ln-code"> class="hljs-ln-line"> class="hljs-ln-numbers"> class="hljs-ln-line hljs-ln-n" data-line-number="39"> class="hljs-ln-code"> class="hljs-ln-line"> class="hljs-ln-numbers"> class="hljs-ln-line hljs-ln-n" data-line-number="40"> class="hljs-ln-code"> class="hljs-ln-line"> TIM_Cmd(TIM2, ENABLE); class="hljs-ln-numbers"> class="hljs-ln-line hljs-ln-n" data-line-number="41"> class="hljs-ln-code"> class="hljs-ln-line">} class="hljs-ln-numbers"> class="hljs-ln-line hljs-ln-n" data-line-number="42"> class="hljs-ln-code"> class="hljs-ln-line"> class="hljs-ln-numbers"> class="hljs-ln-line hljs-ln-n" data-line-number="43"> class="hljs-ln-code"> class="hljs-ln-line"> class="hljs-ln-numbers"> class="hljs-ln-line hljs-ln-n" data-line-number="44"> class="hljs-ln-code"> class="hljs-ln-line"> class="hljs-ln-numbers"> class="hljs-ln-line hljs-ln-n" data-line-number="45"> class="hljs-ln-code"> class="hljs-ln-line"> class="hljs-ln-numbers"> class="hljs-ln-line hljs-ln-n" data-line-number="46"> class="hljs-ln-code"> class="hljs-ln-line"> class="hljs-ln-numbers"> class="hljs-ln-line hljs-ln-n" data-line-number="47"> class="hljs-ln-code"> class="hljs-ln-line"> class="hljs-ln-numbers"> class="hljs-ln-line hljs-ln-n" data-line-number="48"> class="hljs-ln-code"> class="hljs-ln-line"> class="hljs-ln-numbers"> class="hljs-ln-line hljs-ln-n" data-line-number="49"> class="hljs-ln-code"> class="hljs-ln-line"> class="hljs-ln-numbers"> class="hljs-ln-line hljs-ln-n" data-line-number="50"> class="hljs-ln-code"> class="hljs-ln-line"> class="hljs-ln-numbers"> class="hljs-ln-line hljs-ln-n" data-line-number="51"> class="hljs-ln-code"> class="hljs-ln-line"> class="hljs-ln-numbers"> class="hljs-ln-line hljs-ln-n" data-line-number="52"> class="hljs-ln-code"> class="hljs-ln-line"> class="hljs-ln-numbers"> class="hljs-ln-line hljs-ln-n" data-line-number="53"> class="hljs-ln-code"> class="hljs-ln-line"> class="hljs-ln-numbers"> class="hljs-ln-line hljs-ln-n" data-line-number="54"> class="hljs-ln-code"> class="hljs-ln-line"> class="hljs-ln-numbers"> class="hljs-ln-line hljs-ln-n" data-line-number="55"> class="hljs-ln-code"> class="hljs-ln-line"> class="hide-preCode-box">
class="hljs-button signin active" data-title="登录复制" data-report-click="{"spm":"1001.2101.3001.4334"}" onclick="hljs.signin(event)">
Timer.h
- class="hljs-ln-numbers"> class="hljs-ln-line hljs-ln-n" data-line-number="1"> class="hljs-ln-code"> class="hljs-ln-line">#ifndef __TIMER_H
- class="hljs-ln-numbers"> class="hljs-ln-line hljs-ln-n" data-line-number="2"> class="hljs-ln-code"> class="hljs-ln-line">#define __TIMER_H
- class="hljs-ln-numbers"> class="hljs-ln-line hljs-ln-n" data-line-number="3"> class="hljs-ln-code"> class="hljs-ln-line">
- class="hljs-ln-numbers"> class="hljs-ln-line hljs-ln-n" data-line-number="4"> class="hljs-ln-code"> class="hljs-ln-line">void Timer_Init(void);
- class="hljs-ln-numbers"> class="hljs-ln-line hljs-ln-n" data-line-number="5"> class="hljs-ln-code"> class="hljs-ln-line">
- class="hljs-ln-numbers"> class="hljs-ln-line hljs-ln-n" data-line-number="6"> class="hljs-ln-code"> class="hljs-ln-line">#endif
class="hljs-button signin active" data-title="登录复制" data-report-click="{"spm":"1001.2101.3001.4334"}" onclick="hljs.signin(event)">
main.c
- class="hljs-ln-numbers"> class="hljs-ln-line hljs-ln-n" data-line-number="1"> class="hljs-ln-code"> class="hljs-ln-line">#include "stm32f10x.h"
- class="hljs-ln-numbers"> class="hljs-ln-line hljs-ln-n" data-line-number="2"> class="hljs-ln-code"> class="hljs-ln-line">#include "Delay.h"
- class="hljs-ln-numbers"> class="hljs-ln-line hljs-ln-n" data-line-number="3"> class="hljs-ln-code"> class="hljs-ln-line">#include "OLED.h"
- class="hljs-ln-numbers"> class="hljs-ln-line hljs-ln-n" data-line-number="4"> class="hljs-ln-code"> class="hljs-ln-line">#include "Timer.h"
- class="hljs-ln-numbers"> class="hljs-ln-line hljs-ln-n" data-line-number="5"> class="hljs-ln-code"> class="hljs-ln-line">
- class="hljs-ln-numbers"> class="hljs-ln-line hljs-ln-n" data-line-number="6"> class="hljs-ln-code"> class="hljs-ln-line">uint16_t Num;
- class="hljs-ln-numbers"> class="hljs-ln-line hljs-ln-n" data-line-number="7"> class="hljs-ln-code"> class="hljs-ln-line">
- class="hljs-ln-numbers"> class="hljs-ln-line hljs-ln-n" data-line-number="8"> class="hljs-ln-code"> class="hljs-ln-line">
- class="hljs-ln-numbers"> class="hljs-ln-line hljs-ln-n" data-line-number="9"> class="hljs-ln-code"> class="hljs-ln-line">int main(void)
- class="hljs-ln-numbers"> class="hljs-ln-line hljs-ln-n" data-line-number="10"> class="hljs-ln-code"> class="hljs-ln-line">{
- class="hljs-ln-numbers"> class="hljs-ln-line hljs-ln-n" data-line-number="11"> class="hljs-ln-code"> class="hljs-ln-line"> OLED_Init();
- class="hljs-ln-numbers"> class="hljs-ln-line hljs-ln-n" data-line-number="12"> class="hljs-ln-code"> class="hljs-ln-line"> Timer_Init();
- class="hljs-ln-numbers"> class="hljs-ln-line hljs-ln-n" data-line-number="13"> class="hljs-ln-code"> class="hljs-ln-line"> OLED_ShowString(1, 1, "Num:");
- class="hljs-ln-numbers"> class="hljs-ln-line hljs-ln-n" data-line-number="14"> class="hljs-ln-code"> class="hljs-ln-line"> OLED_ShowString(2, 1, "CNT:");
- class="hljs-ln-numbers"> class="hljs-ln-line hljs-ln-n" data-line-number="15"> class="hljs-ln-code"> class="hljs-ln-line"> while(1)
- class="hljs-ln-numbers"> class="hljs-ln-line hljs-ln-n" data-line-number="16"> class="hljs-ln-code"> class="hljs-ln-line"> {
- class="hljs-ln-numbers"> class="hljs-ln-line hljs-ln-n" data-line-number="17"> class="hljs-ln-code"> class="hljs-ln-line"> OLED_ShowNum(1, 5, Num, 5);
- class="hljs-ln-numbers"> class="hljs-ln-line hljs-ln-n" data-line-number="18"> class="hljs-ln-code"> class="hljs-ln-line"> OLED_ShowNum(2, 5, TIM_GetCounter(TIM2), 5);
- class="hljs-ln-numbers"> class="hljs-ln-line hljs-ln-n" data-line-number="19"> class="hljs-ln-code"> class="hljs-ln-line"> }
- class="hljs-ln-numbers"> class="hljs-ln-line hljs-ln-n" data-line-number="20"> class="hljs-ln-code"> class="hljs-ln-line">}
- class="hljs-ln-numbers"> class="hljs-ln-line hljs-ln-n" data-line-number="21"> class="hljs-ln-code"> class="hljs-ln-line">
- class="hljs-ln-numbers"> class="hljs-ln-line hljs-ln-n" data-line-number="22"> class="hljs-ln-code"> class="hljs-ln-line">
- class="hljs-ln-numbers"> class="hljs-ln-line hljs-ln-n" data-line-number="23"> class="hljs-ln-code"> class="hljs-ln-line">void TIM2_IRQHandler(void)
- class="hljs-ln-numbers"> class="hljs-ln-line hljs-ln-n" data-line-number="24"> class="hljs-ln-code"> class="hljs-ln-line">{
- class="hljs-ln-numbers"> class="hljs-ln-line hljs-ln-n" data-line-number="25"> class="hljs-ln-code"> class="hljs-ln-line"> if(TIM_GetITStatus(TIM2, TIM_IT_Update) == SET)
- class="hljs-ln-numbers"> class="hljs-ln-line hljs-ln-n" data-line-number="26"> class="hljs-ln-code"> class="hljs-ln-line"> {
- class="hljs-ln-numbers"> class="hljs-ln-line hljs-ln-n" data-line-number="27"> class="hljs-ln-code"> class="hljs-ln-line">
- class="hljs-ln-numbers"> class="hljs-ln-line hljs-ln-n" data-line-number="28"> class="hljs-ln-code"> class="hljs-ln-line">
- class="hljs-ln-numbers"> class="hljs-ln-line hljs-ln-n" data-line-number="29"> class="hljs-ln-code"> class="hljs-ln-line"> Num++;
- class="hljs-ln-numbers"> class="hljs-ln-line hljs-ln-n" data-line-number="30"> class="hljs-ln-code"> class="hljs-ln-line"> TIM_ClearITPendingBit(TIM2, TIM_IT_Update);
- class="hljs-ln-numbers"> class="hljs-ln-line hljs-ln-n" data-line-number="31"> class="hljs-ln-code"> class="hljs-ln-line"> }
- class="hljs-ln-numbers"> class="hljs-ln-line hljs-ln-n" data-line-number="32"> class="hljs-ln-code"> class="hljs-ln-line">}
class="hide-preCode-box">
class="hljs-button signin active" data-title="登录复制" data-report-click="{"spm":"1001.2101.3001.4334"}" onclick="hljs.signin(event)">
其他引用的头文件和c代码可在此处查阅:OLED.h(【江协STM32】4 OLED调试工具,第5节)、Delay.h(【江协STM32】3-2 LED闪烁&LED流水灯&蜂鸣器,第1.3节)
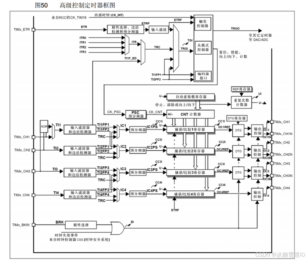
3. 定时器外部时钟
3.1 接线图

3.2 代码
与上一例代码基本相同,仅修改了Timer.c中的初始化时钟RCC、时基单元时钟源、ARR和PSC的取值,增加了GPIO初始化。
不需要使用内部时钟,修改初始化时钟第二步(选择时基单元的时钟源),改为通过ETR引脚的外部时钟模式2配置。
TIM_ETRClockMode2Config(TIM_TypeDef* TIMx, uint16_t TIM_ExtTRGPrescaler, uint16_t TIM_ExtTRGPolarity, uint16_t ExtTRGFilter)
- 第一个参数是选择定时器,这里给TIM2。
- 第二个参数是外部触发预分频器,这里不需要分频。
- 第三个参数是外部触发的极性。TIM_ExtTRGPolarity_Inverted是反向,就是低电平或下降沿有效;TIM_ExtTRGPolarity_NonInverted是不反向,就是高电平或上升沿有效。
- 第四个参数是外部触发滤波器,参数值为0x00~0x0F之间的一个值。就是以采样频率f采样N个点,如果N个点都一样,才会有效输出,这个值就是决定f和N的,具体对应关系如下图。
(视频里写的0x00,但不滤波很容易造成在实际中挡一下光数跳好几次,所以这里改成了0x0f)

引脚要用到GPIO,所以配置时钟时还需要配置GPIO。
GPIO_Mode可以从“STM32F10xxx参考手册”中查询(8.1.11 外设的GPIO配置),推荐配置为浮空输入。但由于浮空输入电平会一直跳动,这里给上拉输入。浮空输入一般用于外部输入信号功率很小,内部如果有上拉电阻可能会影响到输入信号。
Timer.c
- class="hljs-ln-numbers"> class="hljs-ln-line hljs-ln-n" data-line-number="1"> class="hljs-ln-code"> class="hljs-ln-line">#include "stm32f10x.h"
- class="hljs-ln-numbers"> class="hljs-ln-line hljs-ln-n" data-line-number="2"> class="hljs-ln-code"> class="hljs-ln-line">
- class="hljs-ln-numbers"> class="hljs-ln-line hljs-ln-n" data-line-number="3"> class="hljs-ln-code"> class="hljs-ln-line">
- class="hljs-ln-numbers"> class="hljs-ln-line hljs-ln-n" data-line-number="4"> class="hljs-ln-code"> class="hljs-ln-line">
- class="hljs-ln-numbers"> class="hljs-ln-line hljs-ln-n" data-line-number="5"> class="hljs-ln-code"> class="hljs-ln-line">void Timer_Init(void)
- class="hljs-ln-numbers"> class="hljs-ln-line hljs-ln-n" data-line-number="6"> class="hljs-ln-code"> class="hljs-ln-line">{
- class="hljs-ln-numbers"> class="hljs-ln-line hljs-ln-n" data-line-number="7"> class="hljs-ln-code"> class="hljs-ln-line">
- class="hljs-ln-numbers"> class="hljs-ln-line hljs-ln-n" data-line-number="8"> class="hljs-ln-code"> class="hljs-ln-line"> RCC_APB1PeriphClockCmd(RCC_APB1Periph_TIM2, ENABLE);
- class="hljs-ln-numbers"> class="hljs-ln-line hljs-ln-n" data-line-number="9"> class="hljs-ln-code"> class="hljs-ln-line"> RCC_APB2PeriphClockCmd(RCC_APB2Periph_GPIOA, ENABLE);
- class="hljs-ln-numbers"> class="hljs-ln-line hljs-ln-n" data-line-number="10"> class="hljs-ln-code"> class="hljs-ln-line">
- class="hljs-ln-numbers"> class="hljs-ln-line hljs-ln-n" data-line-number="11"> class="hljs-ln-code"> class="hljs-ln-line"> GPIO_InitTypeDef GPIO_InitStructure;
- class="hljs-ln-numbers"> class="hljs-ln-line hljs-ln-n" data-line-number="12"> class="hljs-ln-code"> class="hljs-ln-line"> GPIO_InitStructure.GPIO_Mode = GPIO_Mode_IPU;
- class="hljs-ln-numbers"> class="hljs-ln-line hljs-ln-n" data-line-number="13"> class="hljs-ln-code"> class="hljs-ln-line"> GPIO_InitStructure.GPIO_Pin = GPIO_Pin_0;
- class="hljs-ln-numbers"> class="hljs-ln-line hljs-ln-n" data-line-number="14"> class="hljs-ln-code"> class="hljs-ln-line"> GPIO_InitStructure.GPIO_Speed = GPIO_Speed_50MHz;
- class="hljs-ln-numbers"> class="hljs-ln-line hljs-ln-n" data-line-number="15"> class="hljs-ln-code"> class="hljs-ln-line"> GPIO_Init(GPIOB, &GPIO_InitStructure);
- class="hljs-ln-numbers"> class="hljs-ln-line hljs-ln-n" data-line-number="16"> class="hljs-ln-code"> class="hljs-ln-line">
- class="hljs-ln-numbers"> class="hljs-ln-line hljs-ln-n" data-line-number="17"> class="hljs-ln-code"> class="hljs-ln-line">
- class="hljs-ln-numbers"> class="hljs-ln-line hljs-ln-n" data-line-number="18"> class="hljs-ln-code"> class="hljs-ln-line"> TIM_ETRClockMode2Config(TIM2, TIM_ExtTRGPSC_OFF, TIM_ExtTRGPolarity_NonInverted, 0x0f);
- class="hljs-ln-numbers"> class="hljs-ln-line hljs-ln-n" data-line-number="19"> class="hljs-ln-code"> class="hljs-ln-line">
- class="hljs-ln-numbers"> class="hljs-ln-line hljs-ln-n" data-line-number="20"> class="hljs-ln-code"> class="hljs-ln-line">
- class="hljs-ln-numbers"> class="hljs-ln-line hljs-ln-n" data-line-number="21"> class="hljs-ln-code"> class="hljs-ln-line"> TIM_TimeBaseInitTypeDef TIM_TimeBaseInitStructure;
- class="hljs-ln-numbers"> class="hljs-ln-line hljs-ln-n" data-line-number="22"> class="hljs-ln-code"> class="hljs-ln-line"> TIM_TimeBaseInitStructure.TIM_ClockDivision = TIM_CKD_DIV1;
- class="hljs-ln-numbers"> class="hljs-ln-line hljs-ln-n" data-line-number="23"> class="hljs-ln-code"> class="hljs-ln-line"> TIM_TimeBaseInitStructure.TIM_CounterMode = TIM_CounterMode_Up;
- class="hljs-ln-numbers"> class="hljs-ln-line hljs-ln-n" data-line-number="24"> class="hljs-ln-code"> class="hljs-ln-line">
- class="hljs-ln-numbers"> class="hljs-ln-line hljs-ln-n" data-line-number="25"> class="hljs-ln-code"> class="hljs-ln-line">
- class="hljs-ln-numbers"> class="hljs-ln-line hljs-ln-n" data-line-number="26"> class="hljs-ln-code"> class="hljs-ln-line">
- class="hljs-ln-numbers"> class="hljs-ln-line hljs-ln-n" data-line-number="27"> class="hljs-ln-code"> class="hljs-ln-line"> TIM_TimeBaseInitStructure.TIM_Period = 10 - 1;
- class="hljs-ln-numbers"> class="hljs-ln-line hljs-ln-n" data-line-number="28"> class="hljs-ln-code"> class="hljs-ln-line"> TIM_TimeBaseInitStructure.TIM_Prescaler = 1 - 1;
- class="hljs-ln-numbers"> class="hljs-ln-line hljs-ln-n" data-line-number="29"> class="hljs-ln-code"> class="hljs-ln-line"> TIM_TimeBaseInitStructure.TIM_RepetitionCounter = 0;
- class="hljs-ln-numbers"> class="hljs-ln-line hljs-ln-n" data-line-number="30"> class="hljs-ln-code"> class="hljs-ln-line"> TIM_TimeBaseInit(TIM2, &TIM_TimeBaseInitStructure);
- class="hljs-ln-numbers"> class="hljs-ln-line hljs-ln-n" data-line-number="31"> class="hljs-ln-code"> class="hljs-ln-line">
- class="hljs-ln-numbers"> class="hljs-ln-line hljs-ln-n" data-line-number="32"> class="hljs-ln-code"> class="hljs-ln-line"> TIM_ClearFlag(TIM2, TIM_FLAG_Update);
- class="hljs-ln-numbers"> class="hljs-ln-line hljs-ln-n" data-line-number="33"> class="hljs-ln-code"> class="hljs-ln-line">
- class="hljs-ln-numbers"> class="hljs-ln-line hljs-ln-n" data-line-number="34"> class="hljs-ln-code"> class="hljs-ln-line">
- class="hljs-ln-numbers"> class="hljs-ln-line hljs-ln-n" data-line-number="35"> class="hljs-ln-code"> class="hljs-ln-line"> TIM_ITConfig(TIM2, TIM_IT_Update, ENABLE);
- class="hljs-ln-numbers"> class="hljs-ln-line hljs-ln-n" data-line-number="36"> class="hljs-ln-code"> class="hljs-ln-line">
- class="hljs-ln-numbers"> class="hljs-ln-line hljs-ln-n" data-line-number="37"> class="hljs-ln-code"> class="hljs-ln-line">
- class="hljs-ln-numbers"> class="hljs-ln-line hljs-ln-n" data-line-number="38"> class="hljs-ln-code"> class="hljs-ln-line"> NVIC_PriorityGroupConfig(NVIC_PriorityGroup_2);
- class="hljs-ln-numbers"> class="hljs-ln-line hljs-ln-n" data-line-number="39"> class="hljs-ln-code"> class="hljs-ln-line"> NVIC_InitTypeDef NVIC_InitStructure;
- class="hljs-ln-numbers"> class="hljs-ln-line hljs-ln-n" data-line-number="40"> class="hljs-ln-code"> class="hljs-ln-line"> NVIC_InitStructure.NVIC_IRQChannel = TIM2_IRQn;
- class="hljs-ln-numbers"> class="hljs-ln-line hljs-ln-n" data-line-number="41"> class="hljs-ln-code"> class="hljs-ln-line"> NVIC_InitStructure.NVIC_IRQChannelCmd = ENABLE;
- class="hljs-ln-numbers"> class="hljs-ln-line hljs-ln-n" data-line-number="42"> class="hljs-ln-code"> class="hljs-ln-line"> NVIC_InitStructure.NVIC_IRQChannelPreemptionPriority = 2;
- class="hljs-ln-numbers"> class="hljs-ln-line hljs-ln-n" data-line-number="43"> class="hljs-ln-code"> class="hljs-ln-line"> NVIC_InitStructure.NVIC_IRQChannelSubPriority = 1;
- class="hljs-ln-numbers"> class="hljs-ln-line hljs-ln-n" data-line-number="44"> class="hljs-ln-code"> class="hljs-ln-line"> NVIC_Init(&NVIC_InitStructure);
- class="hljs-ln-numbers"> class="hljs-ln-line hljs-ln-n" data-line-number="45"> class="hljs-ln-code"> class="hljs-ln-line">
- class="hljs-ln-numbers"> class="hljs-ln-line hljs-ln-n" data-line-number="46"> class="hljs-ln-code"> class="hljs-ln-line">
- class="hljs-ln-numbers"> class="hljs-ln-line hljs-ln-n" data-line-number="47"> class="hljs-ln-code"> class="hljs-ln-line"> TIM_Cmd(TIM2, ENABLE);
- class="hljs-ln-numbers"> class="hljs-ln-line hljs-ln-n" data-line-number="48"> class="hljs-ln-code"> class="hljs-ln-line">}
- class="hljs-ln-numbers"> class="hljs-ln-line hljs-ln-n" data-line-number="49"> class="hljs-ln-code"> class="hljs-ln-line">
- class="hljs-ln-numbers"> class="hljs-ln-line hljs-ln-n" data-line-number="50"> class="hljs-ln-code"> class="hljs-ln-line">
- class="hljs-ln-numbers"> class="hljs-ln-line hljs-ln-n" data-line-number="51"> class="hljs-ln-code"> class="hljs-ln-line">
- class="hljs-ln-numbers"> class="hljs-ln-line hljs-ln-n" data-line-number="52"> class="hljs-ln-code"> class="hljs-ln-line">
- class="hljs-ln-numbers"> class="hljs-ln-line hljs-ln-n" data-line-number="53"> class="hljs-ln-code"> class="hljs-ln-line">
- class="hljs-ln-numbers"> class="hljs-ln-line hljs-ln-n" data-line-number="54"> class="hljs-ln-code"> class="hljs-ln-line">
- class="hljs-ln-numbers"> class="hljs-ln-line hljs-ln-n" data-line-number="55"> class="hljs-ln-code"> class="hljs-ln-line">
- class="hljs-ln-numbers"> class="hljs-ln-line hljs-ln-n" data-line-number="56"> class="hljs-ln-code"> class="hljs-ln-line">
- class="hljs-ln-numbers"> class="hljs-ln-line hljs-ln-n" data-line-number="57"> class="hljs-ln-code"> class="hljs-ln-line">
- class="hljs-ln-numbers"> class="hljs-ln-line hljs-ln-n" data-line-number="58"> class="hljs-ln-code"> class="hljs-ln-line">
- class="hljs-ln-numbers"> class="hljs-ln-line hljs-ln-n" data-line-number="59"> class="hljs-ln-code"> class="hljs-ln-line">
- class="hljs-ln-numbers"> class="hljs-ln-line hljs-ln-n" data-line-number="60"> class="hljs-ln-code"> class="hljs-ln-line">
- class="hljs-ln-numbers"> class="hljs-ln-line hljs-ln-n" data-line-number="61"> class="hljs-ln-code"> class="hljs-ln-line">
- class="hljs-ln-numbers"> class="hljs-ln-line hljs-ln-n" data-line-number="62"> class="hljs-ln-code"> class="hljs-ln-line">
class="hide-preCode-box">
class="hljs-button signin active" data-title="登录复制" data-report-click="{"spm":"1001.2101.3001.4334"}" onclick="hljs.signin(event)">
main.c
- class="hljs-ln-numbers"> class="hljs-ln-line hljs-ln-n" data-line-number="1"> class="hljs-ln-code"> class="hljs-ln-line">#include "stm32f10x.h"
- class="hljs-ln-numbers"> class="hljs-ln-line hljs-ln-n" data-line-number="2"> class="hljs-ln-code"> class="hljs-ln-line">#include "Delay.h"
- class="hljs-ln-numbers"> class="hljs-ln-line hljs-ln-n" data-line-number="3"> class="hljs-ln-code"> class="hljs-ln-line">#include "OLED.h"
- class="hljs-ln-numbers"> class="hljs-ln-line hljs-ln-n" data-line-number="4"> class="hljs-ln-code"> class="hljs-ln-line">#include "Timer.h"
- class="hljs-ln-numbers"> class="hljs-ln-line hljs-ln-n" data-line-number="5"> class="hljs-ln-code"> class="hljs-ln-line">
- class="hljs-ln-numbers"> class="hljs-ln-line hljs-ln-n" data-line-number="6"> class="hljs-ln-code"> class="hljs-ln-line">uint16_t Num;
- class="hljs-ln-numbers"> class="hljs-ln-line hljs-ln-n" data-line-number="7"> class="hljs-ln-code"> class="hljs-ln-line">
- class="hljs-ln-numbers"> class="hljs-ln-line hljs-ln-n" data-line-number="8"> class="hljs-ln-code"> class="hljs-ln-line">
- class="hljs-ln-numbers"> class="hljs-ln-line hljs-ln-n" data-line-number="9"> class="hljs-ln-code"> class="hljs-ln-line">
- class="hljs-ln-numbers"> class="hljs-ln-line hljs-ln-n" data-line-number="10"> class="hljs-ln-code"> class="hljs-ln-line">int main(void)
- class="hljs-ln-numbers"> class="hljs-ln-line hljs-ln-n" data-line-number="11"> class="hljs-ln-code"> class="hljs-ln-line">{
- class="hljs-ln-numbers"> class="hljs-ln-line hljs-ln-n" data-line-number="12"> class="hljs-ln-code"> class="hljs-ln-line"> OLED_Init();
- class="hljs-ln-numbers"> class="hljs-ln-line hljs-ln-n" data-line-number="13"> class="hljs-ln-code"> class="hljs-ln-line"> Timer_Init();
- class="hljs-ln-numbers"> class="hljs-ln-line hljs-ln-n" data-line-number="14"> class="hljs-ln-code"> class="hljs-ln-line"> OLED_ShowString(1, 1, "Num:");
- class="hljs-ln-numbers"> class="hljs-ln-line hljs-ln-n" data-line-number="15"> class="hljs-ln-code"> class="hljs-ln-line"> OLED_ShowString(2, 1, "CNT:");
- class="hljs-ln-numbers"> class="hljs-ln-line hljs-ln-n" data-line-number="16"> class="hljs-ln-code"> class="hljs-ln-line"> while(1)
- class="hljs-ln-numbers"> class="hljs-ln-line hljs-ln-n" data-line-number="17"> class="hljs-ln-code"> class="hljs-ln-line"> {
- class="hljs-ln-numbers"> class="hljs-ln-line hljs-ln-n" data-line-number="18"> class="hljs-ln-code"> class="hljs-ln-line"> OLED_ShowNum(1, 5, Num, 5);
- class="hljs-ln-numbers"> class="hljs-ln-line hljs-ln-n" data-line-number="19"> class="hljs-ln-code"> class="hljs-ln-line"> OLED_ShowNum(2, 5, TIM_GetCounter(TIM2), 5);
- class="hljs-ln-numbers"> class="hljs-ln-line hljs-ln-n" data-line-number="20"> class="hljs-ln-code"> class="hljs-ln-line"> }
- class="hljs-ln-numbers"> class="hljs-ln-line hljs-ln-n" data-line-number="21"> class="hljs-ln-code"> class="hljs-ln-line">}
- class="hljs-ln-numbers"> class="hljs-ln-line hljs-ln-n" data-line-number="22"> class="hljs-ln-code"> class="hljs-ln-line">
- class="hljs-ln-numbers"> class="hljs-ln-line hljs-ln-n" data-line-number="23"> class="hljs-ln-code"> class="hljs-ln-line">
- class="hljs-ln-numbers"> class="hljs-ln-line hljs-ln-n" data-line-number="24"> class="hljs-ln-code"> class="hljs-ln-line">void TIM2_IRQHandler(void)
- class="hljs-ln-numbers"> class="hljs-ln-line hljs-ln-n" data-line-number="25"> class="hljs-ln-code"> class="hljs-ln-line">{
- class="hljs-ln-numbers"> class="hljs-ln-line hljs-ln-n" data-line-number="26"> class="hljs-ln-code"> class="hljs-ln-line"> if(TIM_GetITStatus(TIM2, TIM_IT_Update) == SET)
- class="hljs-ln-numbers"> class="hljs-ln-line hljs-ln-n" data-line-number="27"> class="hljs-ln-code"> class="hljs-ln-line"> {
- class="hljs-ln-numbers"> class="hljs-ln-line hljs-ln-n" data-line-number="28"> class="hljs-ln-code"> class="hljs-ln-line">
- class="hljs-ln-numbers"> class="hljs-ln-line hljs-ln-n" data-line-number="29"> class="hljs-ln-code"> class="hljs-ln-line">
- class="hljs-ln-numbers"> class="hljs-ln-line hljs-ln-n" data-line-number="30"> class="hljs-ln-code"> class="hljs-ln-line"> Num++;
- class="hljs-ln-numbers"> class="hljs-ln-line hljs-ln-n" data-line-number="31"> class="hljs-ln-code"> class="hljs-ln-line"> TIM_ClearITPendingBit(TIM2, TIM_IT_Update);
- class="hljs-ln-numbers"> class="hljs-ln-line hljs-ln-n" data-line-number="32"> class="hljs-ln-code"> class="hljs-ln-line"> }
- class="hljs-ln-numbers"> class="hljs-ln-line hljs-ln-n" data-line-number="33"> class="hljs-ln-code"> class="hljs-ln-line">}
class="hide-preCode-box">
class="hljs-button signin active" data-title="登录复制" data-report-click="{"spm":"1001.2101.3001.4334"}" onclick="hljs.signin(event)">
其他引用的头文件和c代码可在此处查阅:OLED.h(【江协STM32】4 OLED调试工具,第5节)、Delay.h(【江协STM32】3-2 LED闪烁&LED流水灯&蜂鸣器,第1.3节)
data-report-view="{"mod":"1585297308_001","spm":"1001.2101.3001.6548","dest":"https://blog.csdn.net/qq_19395823/article/details/144678449","extend1":"pc","ab":"new"}">>
评论记录:
回复评论: